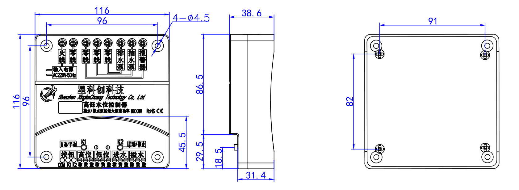
Screw-mounted wall-mounted installation, simple and convenient installation
With automatic water replenishment, automatic drainage, water shortage protection, overflow protecti
Diversified control, the water pump can be controlled in manual or automatic mode
Optional power supply: AC110-220V, DC12-24V
| Availability: | |
|---|---|
| Quantity: | |
XKC-C383 intelligent non-contact liquid level controller and two non-contact liquid level detection heads realize the liquid level control function:When the liquid level in the container is too low, the low liquid level alarm signal from the low liquid level sensor triggers the C383 controller to close the relay to start the water pump to add liquid level. When the liquid level reaches a certain height, the high liquid level sensor sends out a signal to trigger the C383 controller to disconnect the relay automatically stop the water pump, so that the cycle works to realize the automatic replenishment and pumping of the container
Product Features:
1. Equipped with a Y26 probe, suitable for pipes and curved containers.
2. Features automatic water replenishment, automatic drainage, water shortage protection, and overflow protection.
3. Power supply options: AC110-220V, DC12-24V
Application Scenarios:
1. Boilers
2. Livestock farming
3. Agricultural irrigation
4. Automatic water replenishment for pipelines
FAQ:
1. Q: How do I secure the sensor to the pipe?
A: We provide cable ties. Simply secure the sensor to the pipe using the cable ties, and it will function normally.
2. Q: How do I adjust the sensitivity?
A: There is a knob on the side of the sensor. Use a small screwdriver to turn it counterclockwise to increase the sensitivity and clockwise to decrease it.
MPN | XKC-C383 | name | XKC-C383 liquid level controller |
input voltage | AC110V-220V | ||
output voltage | AC110V-220V | ||
work current | ≤7A | ||
work voltage | AC110V-220V | ||
consumption power | ≤2W | ||
loading power | voltage 110V :max. power 800W voltage 220V :max. power 1600W exceed 1600w,please add an intermediate relay | ||
alarm output | 800W-1600W (resistive load) | ||
output method | relay normally open output | ||
sensor interface voltage | DC12V | ||
working temperature | -20~105℃,humidity≤80% | ||
installation | wall mounting | ||
dimensions | 115*90*40mm | ||
safety certificate | CE | ||
environment certificate | ROHS-2.0 | ||
